OngoingMyFoc2
STDMyFoc2
333
0
0
0
Mode:Full
License
:GPL 3.0
Creation time:2021-03-20 23:26:55Update time:2024-02-18 12:38:43
Description
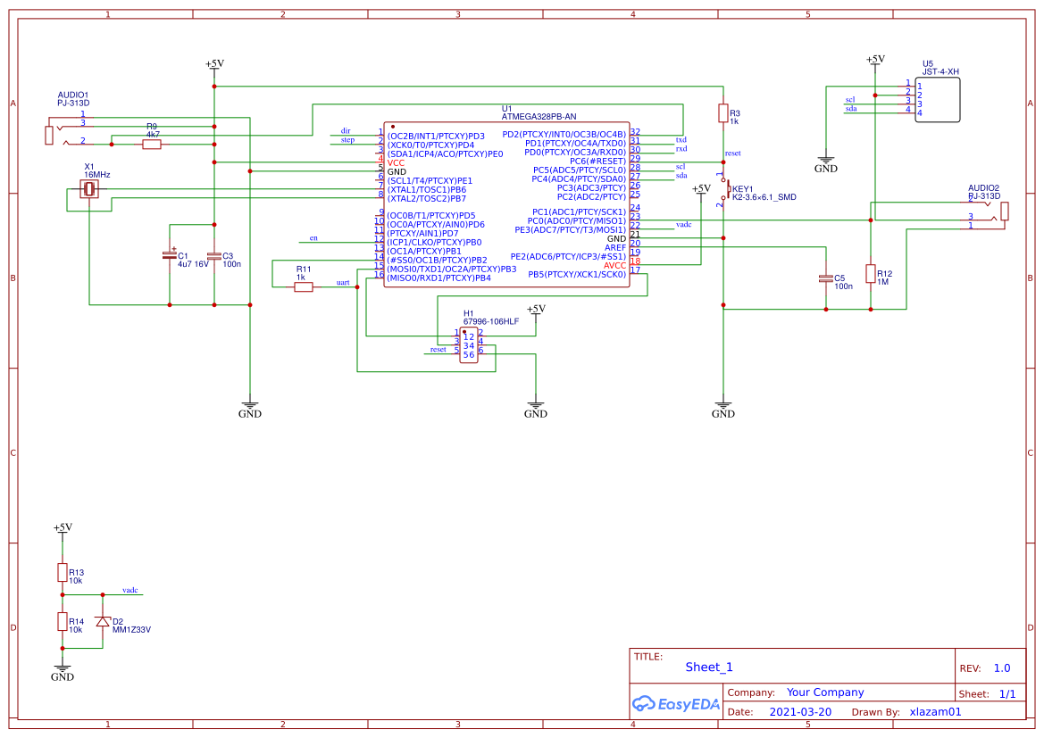
Motor focuser based on myFocuserPro2 from Robert Brown for NEMA14 motor
Design Drawing
The preview image was not generated, please save it again in the editor.BOM
Bom empty
CloneAdd to Album
0
0
Share
Report
Project Members
Followers0|Likes0
Related projects
Empty


Comment