OngoingDiagrama 1.0
STDDiagrama 1.0
47
0
0
0
Mode:Full
License
:MIT
Creation time:2023-05-01 19:22:24Update time:2023-06-09 17:14:44
Description
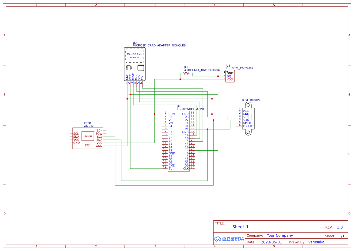
LIDAR sensor implementation
Design Drawing
The preview image was not generated, please save it again in the editor.BOM
Bom empty
CloneAdd to Album
0
0
Share
Report
Project Members
Followers0|Likes0
Related projects
Empty


Comment