OngoingPlatine arduino ENIM
STDPlatine arduino ENIM
734
0
0
0
Mode:Full
License
:Creation time:2018-05-07 11:26:51Update time:2021-01-23 17:29:11
Description
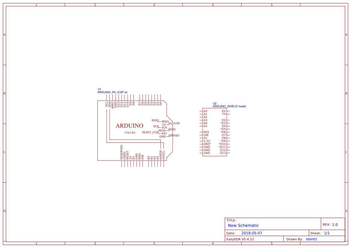
Design Drawing
The preview image was not generated, please save it again in the editor.BOM
Bom empty
CloneAdd to Album
0
0
Share
Report
Project Members
Followers0|Likes0
Related projects
Empty


Comment