OngoingSI4432+RQA0009_240-320MHz
STDSI4432+RQA0009_240-320MHz
1.1k
0
0
0
Mode:Full
License
:Creation time:2021-03-08 07:19:46Update time:2021-03-21 15:34:17
Description
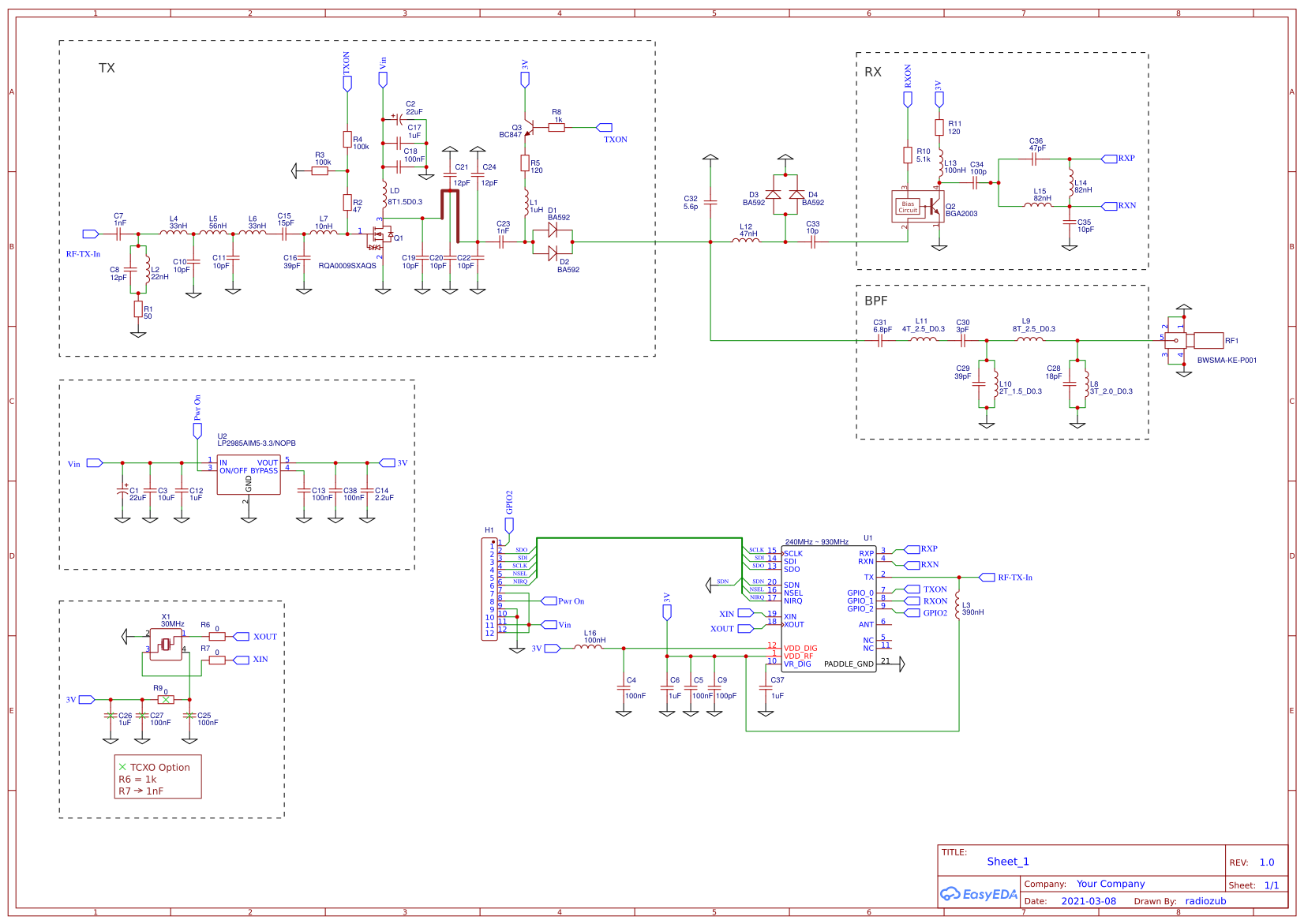
SI4432 and RQA0009 PA
Design Drawing
The preview image was not generated, please save it again in the editor.BOM
Bom empty
CloneAdd to Album
0
0
Share
Report
Project Members
Followers0|Likes0
Related projects
Empty


Comment