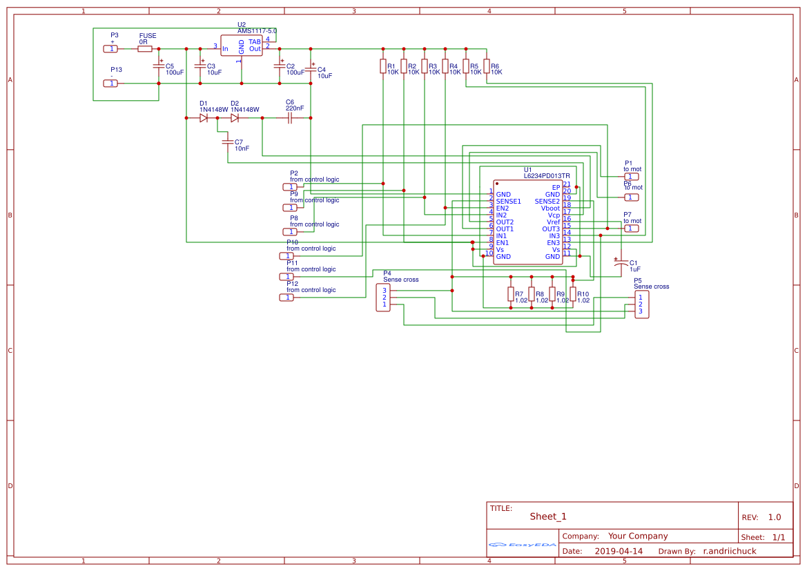
OngoingL6234PD driver v0.1
STDL6234PD driver v0.1
439
0
0
0
Mode:Full
License
:Creation time:2019-04-14 17:46:09Update time:2019-06-18 07:39:39
Description
Design Drawing
The preview image was not generated, please save it again in the editor.BOM
Bom empty
CloneAdd to Album
0
0
Share
Report
Project Members
Followers0|Likes0
Related projects
Empty


Comment