
Patrol RLCM
STDPatrol RLCM
164
0
0
0
Mode:Full
License
:CC-BY-NC 3.0
Creation time:2022-10-17 18:37:45Update time:2022-11-30 21:20:17
Description
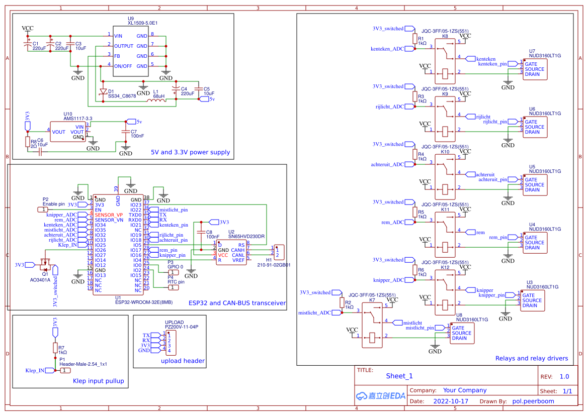
This Automotive relay controller communicates over CAN bus, and has 5 outputs, 1 input and resistance measurements on every output for bulb detection.
Design Drawing

BOM


Add to Album
0
0
Share
Report
Project Members
Followers0|Likes0
Related projects

Comment