Ongoingegis_arduino
STDegis_arduino
103
0
0
0
Mode:Full
License
:Public Domain
Creation time:2019-02-26 01:34:56Update time:2019-02-26 01:50:45
Description
Design Drawing
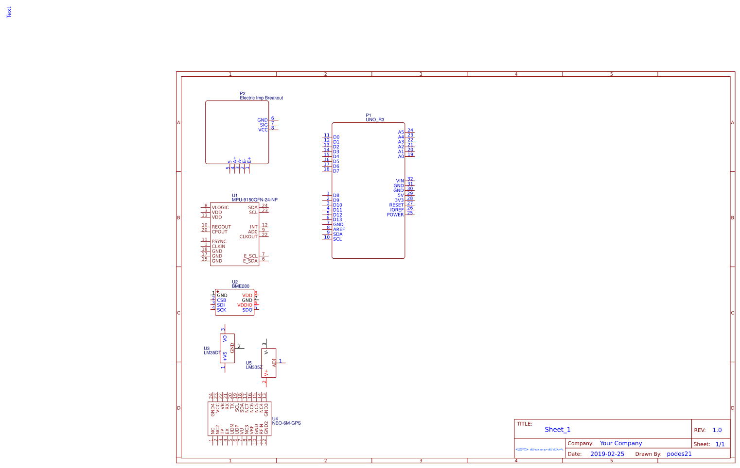
The preview image was not generated, please save it again in the editor.BOM
Bom empty
CloneAdd to Album
0
0
Share
Report
Project Members
Followers0|Likes0
Related projects
Empty


Comment