Ongoingatmega32_devlopment board
STDatmega32_devlopment board
239
0
0
0
Mode:Full
License
:Public Domain
Creation time:2018-12-13 06:49:06Update time:2018-12-14 16:47:07
Description
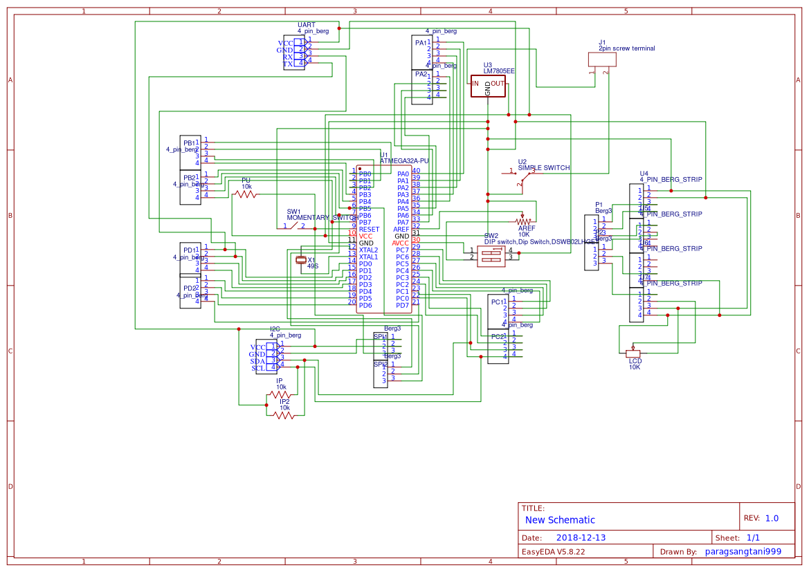
Design Drawing
The preview image was not generated, please save it again in the editor.BOM
Bom empty
CloneAdd to Album
0
0
Share
Report
Project Members
Followers0|Likes0
Related projects
Empty


Comment