OngoingPPI Themperatue
STDPPI Themperatue
52
0
0
0
Mode:Full
License
:Public Domain
Creation time:2023-01-19 17:56:15Update time:2023-01-22 10:30:13
Description
microp
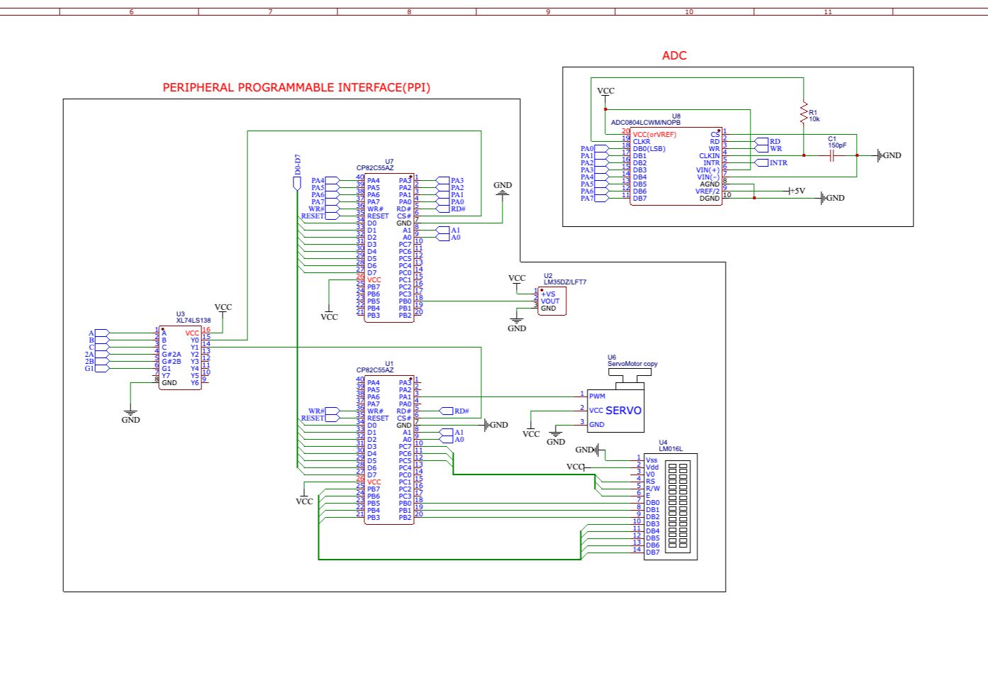
Design Drawing
The preview image was not generated, please save it again in the editor.BOM
Bom empty
CloneAdd to Album
0
0
Share
Report
Project Members
Followers0|Likes0
Related projects
Empty


Comment