OngoingESP_Serial_GateWay
STDESP_Serial_GateWay
309
0
0
0
Mode:Full
License
:Public Domain
Creation time:2018-11-26 08:59:31Update time:2018-11-29 12:04:44
Description
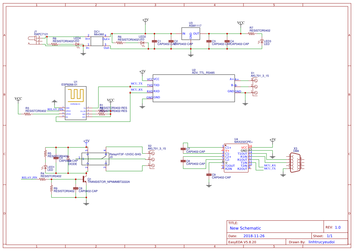
Design Drawing
The preview image was not generated, please save it again in the editor.BOM
Bom empty
CloneAdd to Album
0
0
Share
Report
Project Members
Followers0|Likes0
Related projects
Empty


Comment