
ALT macro pad
STDALT macro pad
369
0
0
0
Mode:Full
License
:Public Domain
Creation time:2020-12-21 15:59:06Update time:2022-09-16 03:01:24
Description
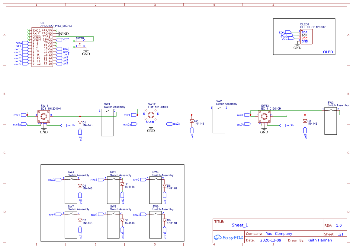
a small macro pad using a pro micro
Design Drawing

BOM


Add to Album
0
0
Share
Report
Project Members
Followers0|Likes0
Related projects

Comment