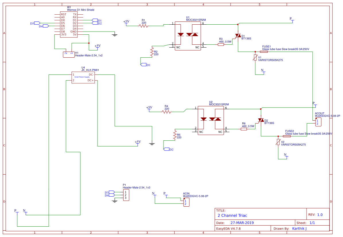
Ongoing2 channel triac without smd
STD2 channel triac without smd
794
0
0
0
Mode:Full
License
:Creation time:2019-04-12 08:10:03Update time:2020-09-25 11:02:29
Description
Design Drawing
The preview image was not generated, please save it again in the editor.BOM
Bom empty
CloneAdd to Album
0
0
Share
Report
Project Members
Followers0|Likes0
Related projects
Empty


Comment