Ongoingcleanrobot
STDcleanrobot
329
0
0
0
Mode:Full
License
:Public Domain
Creation time:2021-07-14 23:26:36Update time:2024-03-31 12:41:49
Description
cleaning robot
Design Drawing
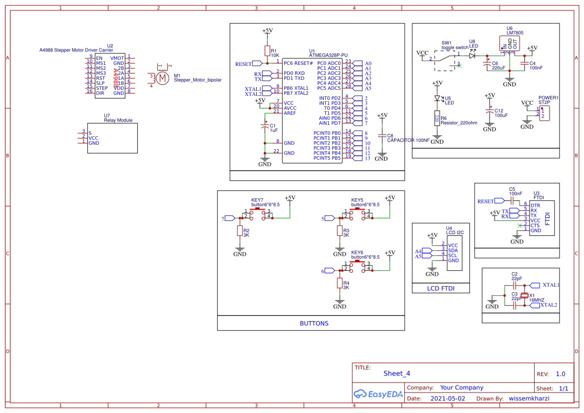
The preview image was not generated, please save it again in the editor.BOM
Bom empty
CloneAdd to Album
0
0
Share
Report
Project Members
Followers0|Likes0
Related projects
Empty


Comment