OngoingAlexa Ducking Amplifier
STDAlexa Ducking Amplifier
407
0
0
0
Mode:Full
License
:Creation time:2019-11-24 23:57:35Update time:2020-11-30 14:56:06
Description
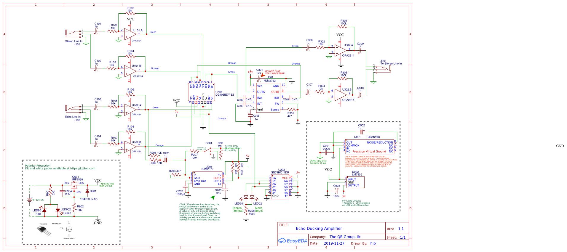
Design Drawing
The preview image was not generated, please save it again in the editor.BOM
Bom empty
CloneAdd to Album
0
0
Share
Report
Project Members
Followers0|Likes0
Related projects
Empty


Comment