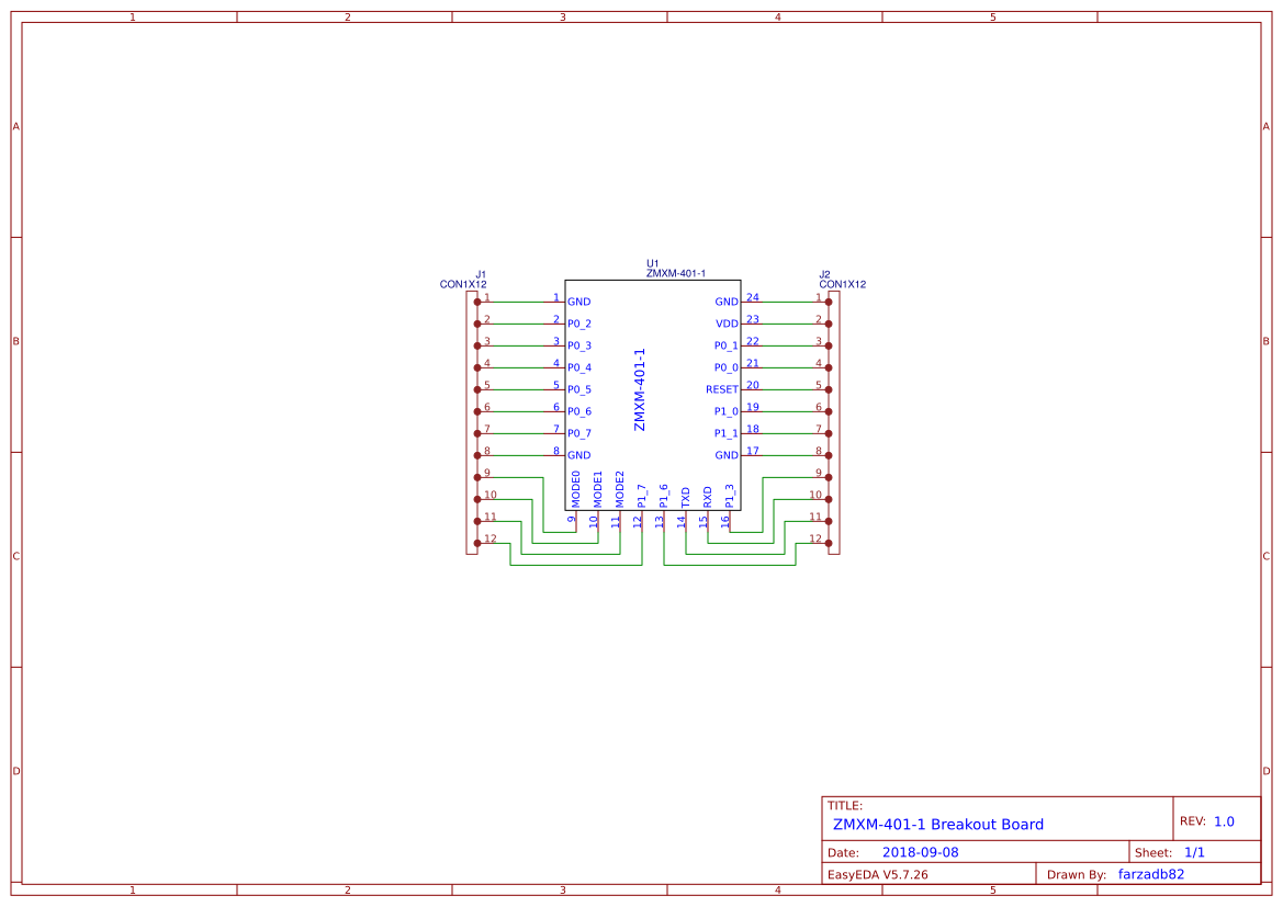
Ongoingzmxm401 breakout
STDzmxm401 breakout
300
0
0
0
Mode:Full
License
:MIT
Creation time:2018-09-09 02:54:14Update time:2018-09-27 01:16:44
Description
Design Drawing
The preview image was not generated, please save it again in the editor.BOM
Bom empty
CloneAdd to Album
0
0
Share
Report
Project Members
Followers0|Likes0
Related projects
Empty


Comment