Ongoingsst board arduino rough
STDsst board arduino rough
685
0
0
0
Mode:Full
License
:Creation time:2019-07-19 19:47:02Update time:2019-08-14 19:56:53
Description
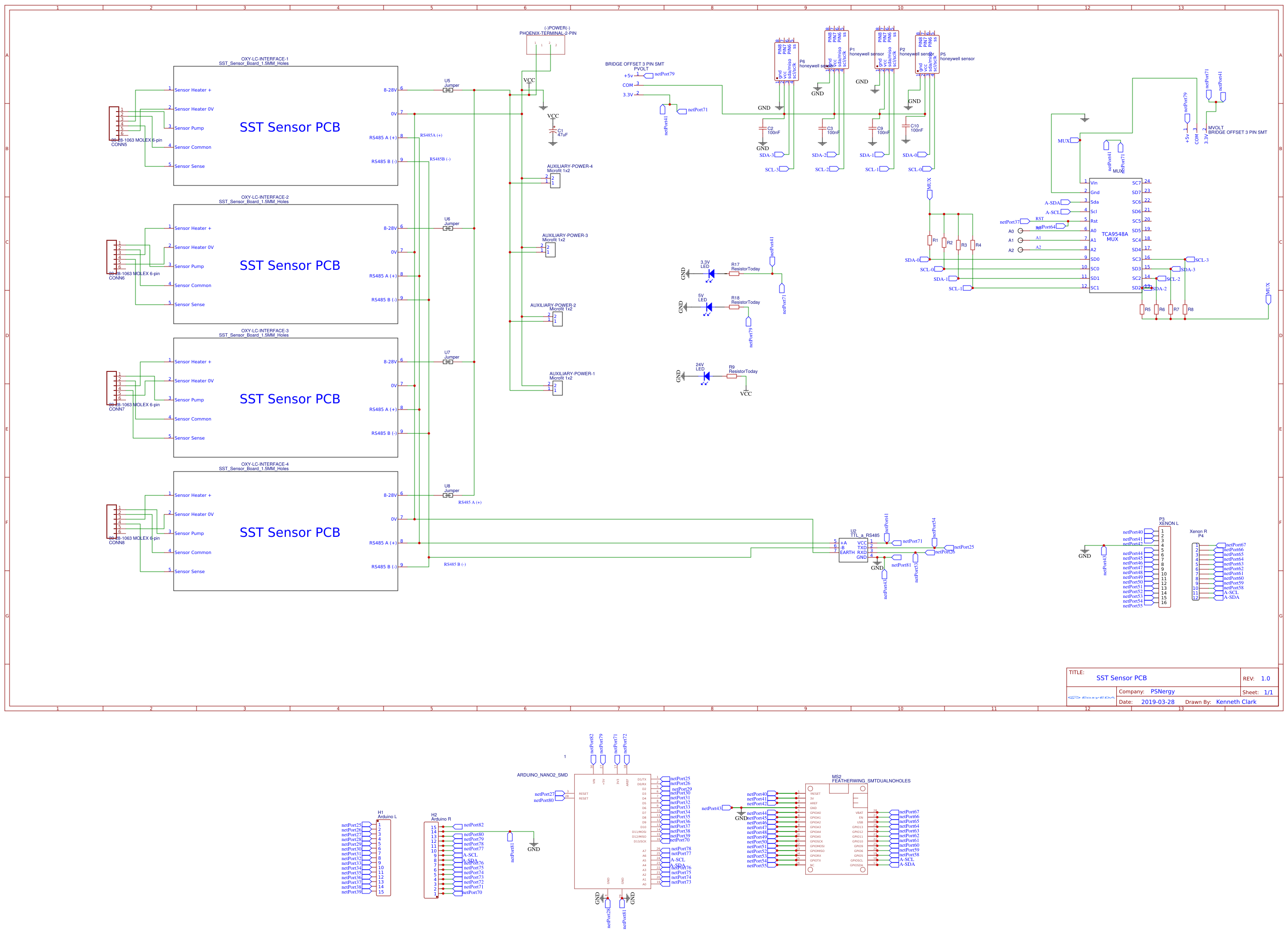
Design Drawing
The preview image was not generated, please save it again in the editor.BOM
Bom empty
CloneAdd to Album
0
0
Share
Report
Project Members
Followers0|Likes0
Related projects
Empty


Comment