Ongoingarduboy with cartridge
STDarduboy with cartridge
676
0
0
0
Mode:Full
License
:Public Domain
Creation time:2019-10-09 12:33:43Update time:2022-09-09 12:54:43
Description
Design Drawing
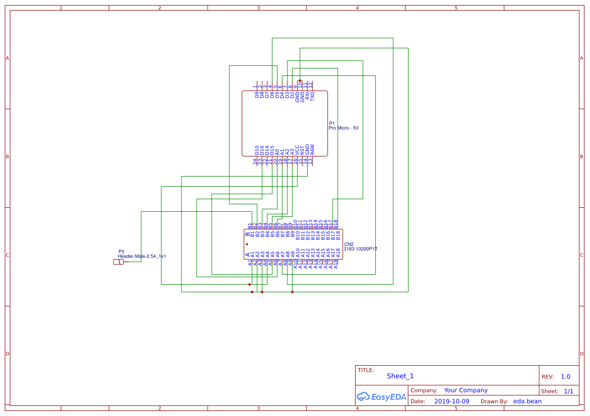
The preview image was not generated, please save it again in the editor.BOM
Bom empty
CloneAdd to Album
0
0
Share
Report
Project Members
Followers0|Likes0
Related projects
Empty


Comment