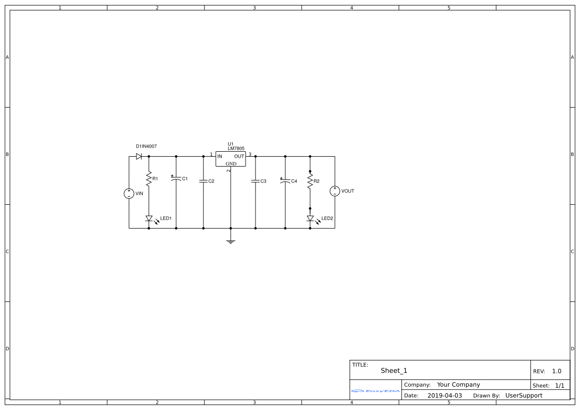
Ongoing12V dc to 5V
STD12V dc to 5V
643
0
0
0
Mode:Full
License
:Creation time:2019-04-02 08:40:48Update time:2019-04-08 17:09:24
Description
Design Drawing
The preview image was not generated, please save it again in the editor.BOM
Bom empty
CloneAdd to Album
0
0
Share
Report
Project Members
Followers0|Likes0
Related projects
Empty


Comment