Ongoingrobot
STDrobot
292
0
0
0
Mode:Full
License
:Creation time:2018-05-25 07:25:12Update time:2018-06-06 12:51:51
Description
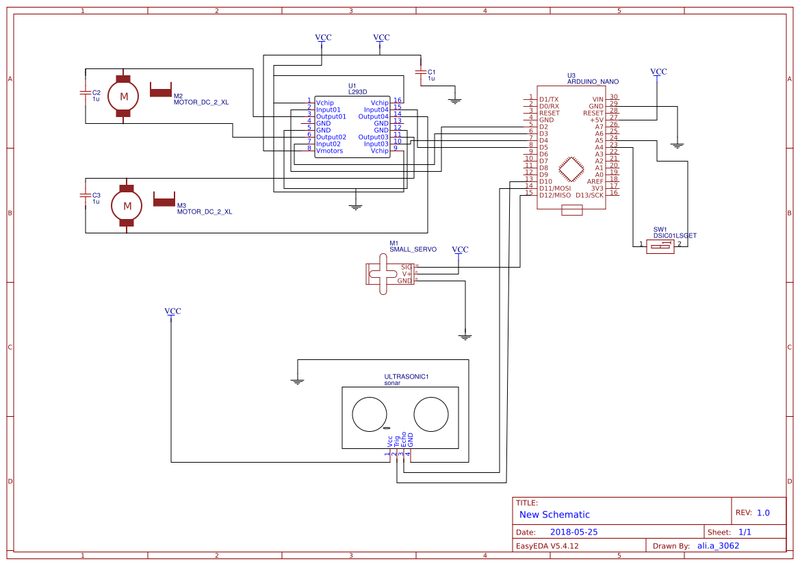
Design Drawing
The preview image was not generated, please save it again in the editor.BOM
Bom empty
CloneAdd to Album
0
0
Share
Report
Project Members
Followers0|Likes0
Related projects
Empty


Comment