OngoingIDP01
STDIDP01
299
0
0
0
Mode:Full
License
:Public Domain
Creation time:2020-06-02 11:02:51Update time:2020-06-08 11:06:52
Description
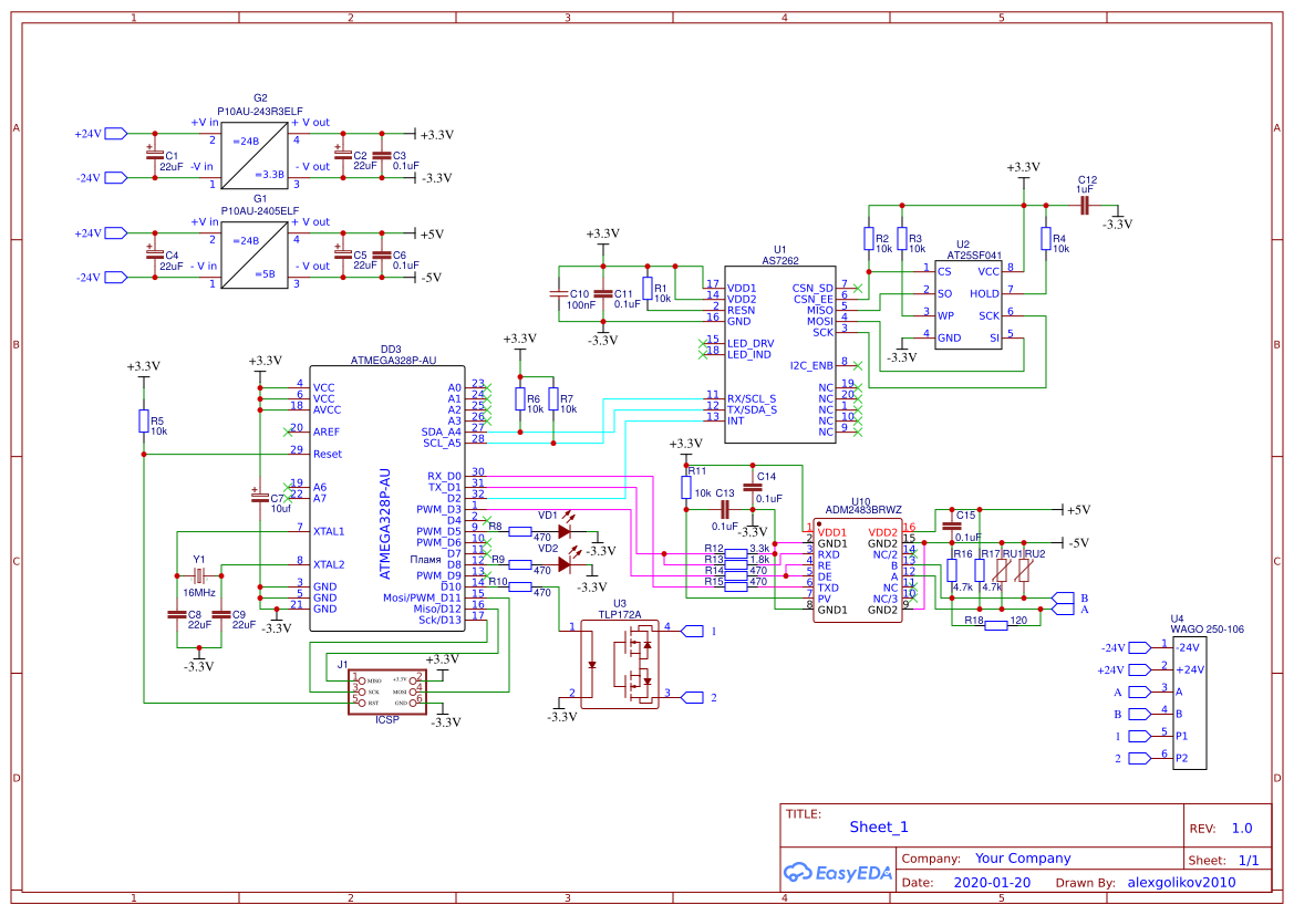
Design Drawing
The preview image was not generated, please save it again in the editor.BOM
Bom empty
CloneAdd to Album
0
0
Share
Report
Project Members
Followers0|Likes0
Related projects
Empty


Comment