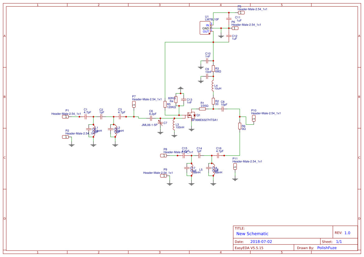
OngoingFilter+LNA137mhz
STDFilter+LNA137mhz
593
0
0
0
Mode:Full
License
:Creation time:2018-07-02 16:26:24Update time:2018-07-06 11:54:06
Description
Design Drawing
The preview image was not generated, please save it again in the editor.BOM
Bom empty
CloneAdd to Album
0
0
Share
Report
Project Members
Followers0|Likes0
Related projects
Empty


Comment