OngoingMediBox_T
STDMediBox_T
140
0
0
0
Mode:Full
License
:Creation time:2021-08-08 03:57:33Update time:2021-08-09 16:49:19
Description
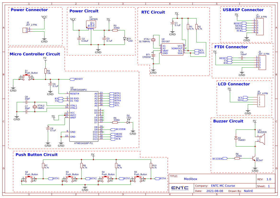
Medibox for ENTC Microcontroller Course
Design Drawing
The preview image was not generated, please save it again in the editor.BOM
Bom empty
CloneAdd to Album
0
0
Share
Report
Project Members
Followers0|Likes0
Related projects
Empty


Comment