OngoingPhase4 of SIT RT lab
STDPhase4 of SIT RT lab
297
0
0
0
Mode:Full
License
:Public Domain
Creation time:2019-02-20 10:16:48Update time:2022-09-18 11:30:51
Description
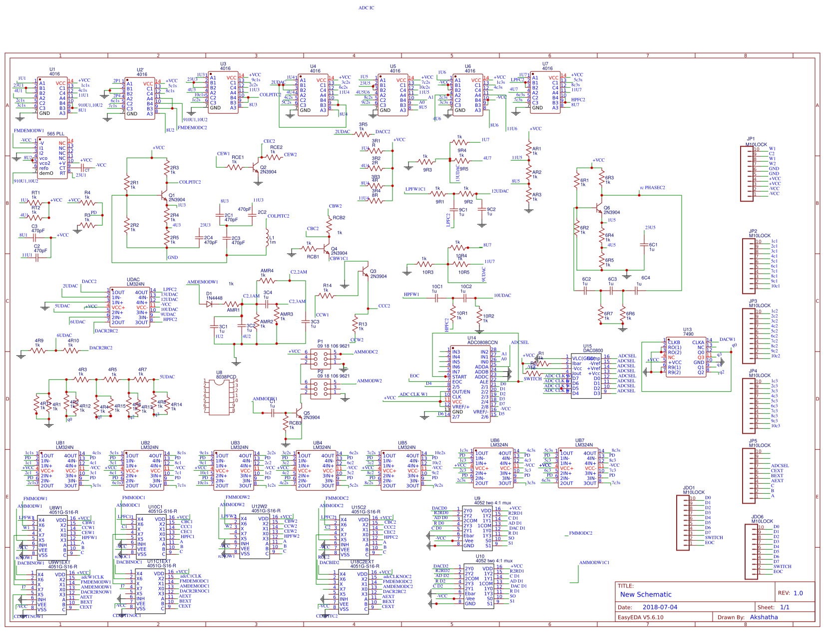
Design Drawing
The preview image was not generated, please save it again in the editor.BOM
Bom empty
CloneAdd to Album
0
0
Share
Report
Project Members
Followers0|Likes0
Related projects
Empty


Comment