OngoingGrove - LED Strip Driver copy
STDGrove - LED Strip Driver copy
545
0
0
0
Mode:Full
License
:Cloned fromGrove - LED Strip Driver
Creation time:2018-08-04 11:31:41Update time:2018-08-04 11:31:42
Description
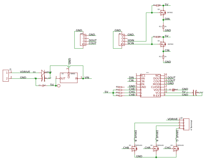
Design Drawing
The preview image was not generated, please save it again in the editor.BOM
Bom empty
CloneAdd to Album
0
0
Share
Report
Project Members
Followers0|Likes0
Related projects
Empty


Comment