OngoingLED CUBE 8x8
STDLED CUBE 8x8
414
0
0
0
Mode:Full
License
:Creation time:2019-11-11 14:18:46Update time:2020-09-16 17:40:22
Description
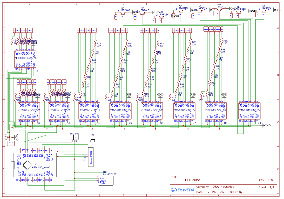
Design Drawing
The preview image was not generated, please save it again in the editor.BOM
Bom empty
CloneAdd to Album
0
0
Share
Report
Project Members
Followers0|Likes0
Related projects
Empty


Comment