Ongoing5V box
STD5V box
271
0
0
0
Mode:Full
License
:Creation time:2021-05-24 21:21:37Update time:2021-08-25 23:18:21
Description
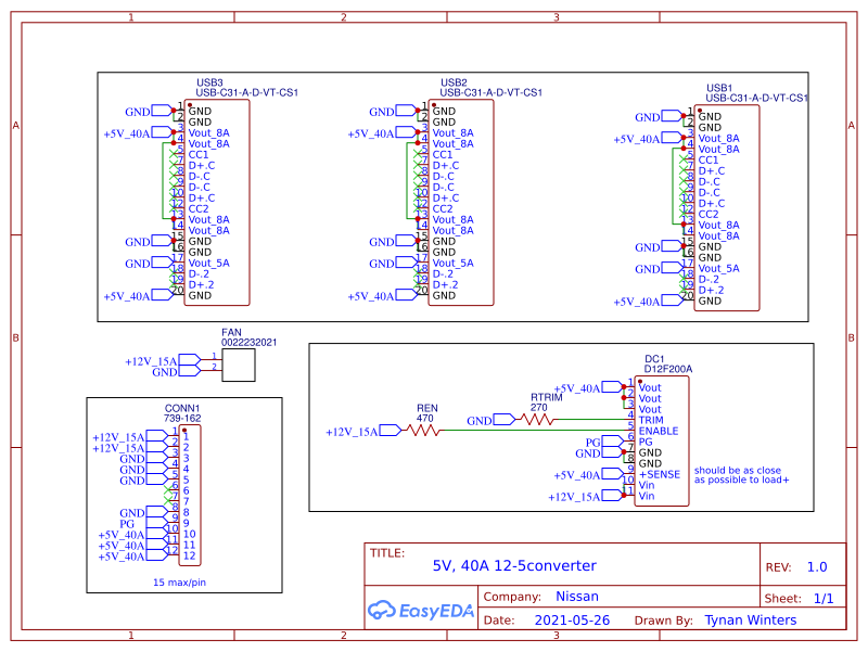
Small 5V DC converter capable of delivering 40A (With external cooling)
Design Drawing
The preview image was not generated, please save it again in the editor.BOM
Bom empty
CloneAdd to Album
0
0
Share
Report
Project Members
Followers0|Likes0
Related projects
Empty


Comment