OngoingRGB-Controller
STDRGB-Controller
42
0
0
0
Mode:Full
License
:Public Domain
Creation time:2023-07-10 11:41:59Update time:2024-12-13 18:36:49
Description
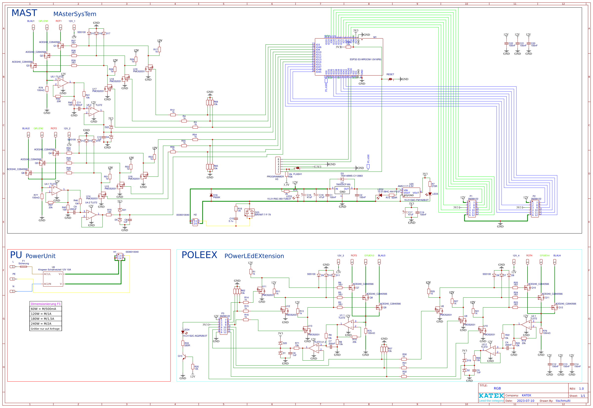
Der Benutzer kann die gewünschte Farbe aus einer Palette oder durch Einstellen von RGB-Werten auswählen. Der Controller ermöglicht die Anpassung der Helligkeit der LEDs, um die gewünschte Beleuchtungsstärke zu erzielen. Der Controller kann verschiedene voreingestellte oder benutzerdefinierte Farbwechselmodi bieten, um dynamische Lichteffekte wie sanftes Überblenden, Blinken oder Farbverläufe zu erzeugen. Der RGB Controller kann drahtlose Fernbedienungen oder eine Verbindung zu einer WebApp unterstützen, um die Steuerung und Programmierung der Beleuchtung zu erleichtern.
Design Drawing
The preview image was not generated, please save it again in the editor.BOM
Bom empty
CloneAdd to Album
0
0
Share
Report
Followers0|Likes0
Related projects
Empty


Comment