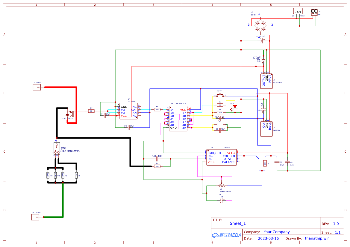
Ongoingbrid-opamp-logic-drive-igbt
STDbrid-opamp-logic-drive-igbt
192
0
0
0
Mode:Full
License
:Public Domain
Creation time:2023-03-16 13:21:23Update time:2023-05-25 04:52:28
Description
Design Drawing
The preview image was not generated, please save it again in the editor.BOM
Bom empty
CloneAdd to Album
0
0
Share
Report
Project Members
Followers0|Likes0
Related projects
Empty


Comment