Ongoingrelay-control
STDrelay-control
318
0
0
0
Mode:Full
License
:MIT
Creation time:2021-01-09 14:09:54Update time:2021-03-10 15:23:19
Description
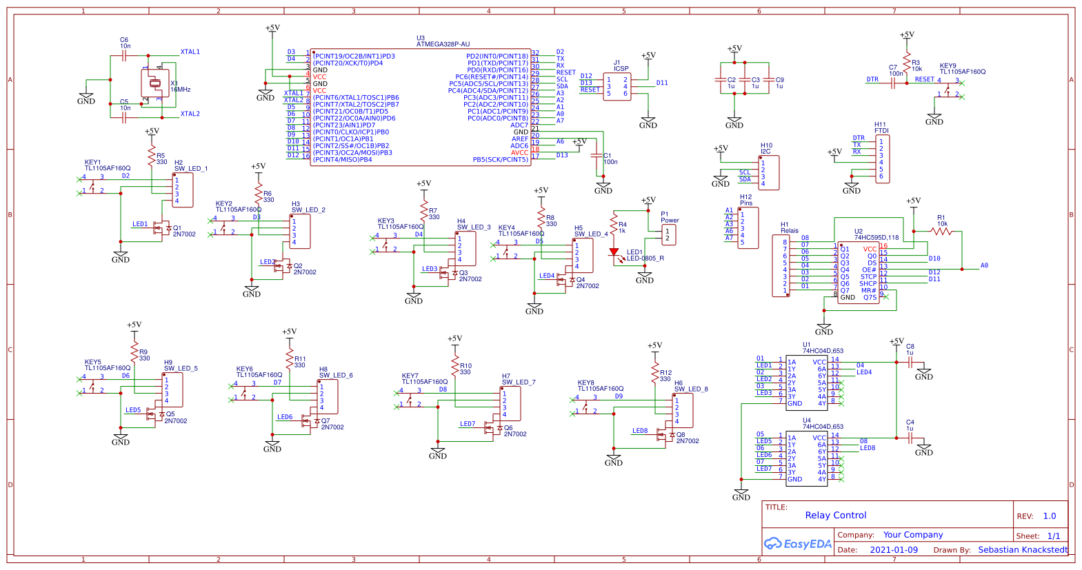
Design Drawing
The preview image was not generated, please save it again in the editor.BOM
Bom empty
CloneAdd to Album
0
0
Share
Report
Project Members
Followers0|Likes0
Related projects
Empty


Comment