OngoingControl Interface Schematic
STDControl Interface Schematic
202
0
0
0
Mode:Full
License
:Public Domain
Creation time:2019-04-23 21:57:28Update time:2019-04-24 19:07:52
Description
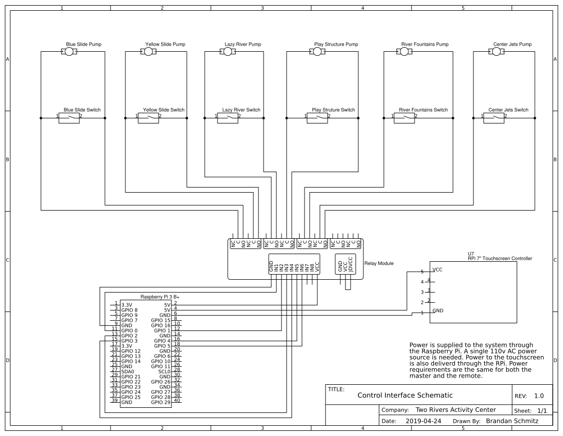
Design Drawing
The preview image was not generated, please save it again in the editor.BOM
Bom empty
CloneAdd to Album
0
0
Share
Report
Project Members
Followers0|Likes0
Related projects
Empty


Comment