OngoingRPI- Zero W 8I IOT
STDRPI- Zero W 8I IOT
237
0
0
0
Mode:Full
License
:Public Domain
Cloned fromRPI-3 8I8O-R_V1
Creation time:2021-11-12 23:04:57Update time:2021-12-16 00:41:53
Description
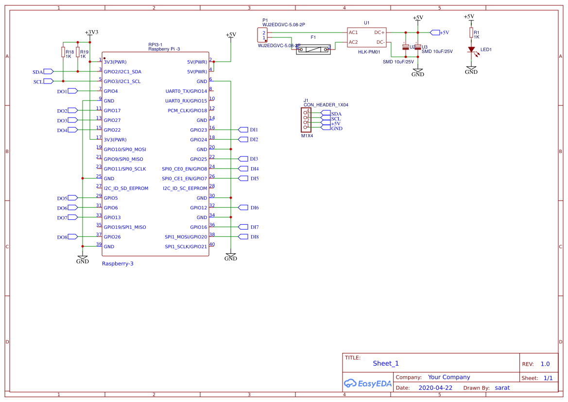
Rpi Zerow 8input 8Output
Design Drawing
The preview image was not generated, please save it again in the editor.BOM
Bom empty
CloneAdd to Album
0
0
Share
Report
Project Members
Followers0|Likes0
Related projects
Empty


Comment