Ongoingarduino_driver copy
STDarduino_driver copy
212
0
0
0
Mode:Full
License
:Public Domain
Cloned fromarduino_driver
Creation time:2020-05-26 19:50:51Update time:2020-05-26 19:51:18
Description
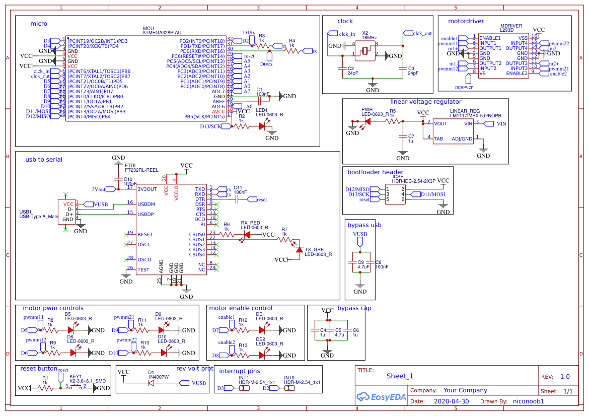
Design Drawing
The preview image was not generated, please save it again in the editor.BOM
Bom empty
CloneAdd to Album
0
0
Share
Report
Project Members
Followers0|Likes0
Related projects
Empty


Comment