OngoingPedaleira Controladora MIDI 0.1
STDPedaleira Controladora MIDI 0.1
354
0
0
0
Mode:Full
License
:Creation time:2019-10-13 13:23:01Update time:2023-04-26 00:34:23
Description
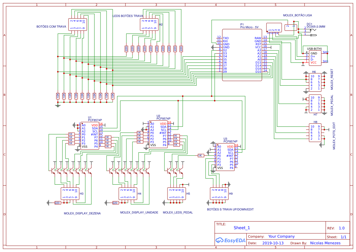
Design Drawing
The preview image was not generated, please save it again in the editor.BOM
Bom empty
CloneAdd to Album
0
0
Share
Report
Project Members
Followers0|Likes0
Related projects
Empty


Comment