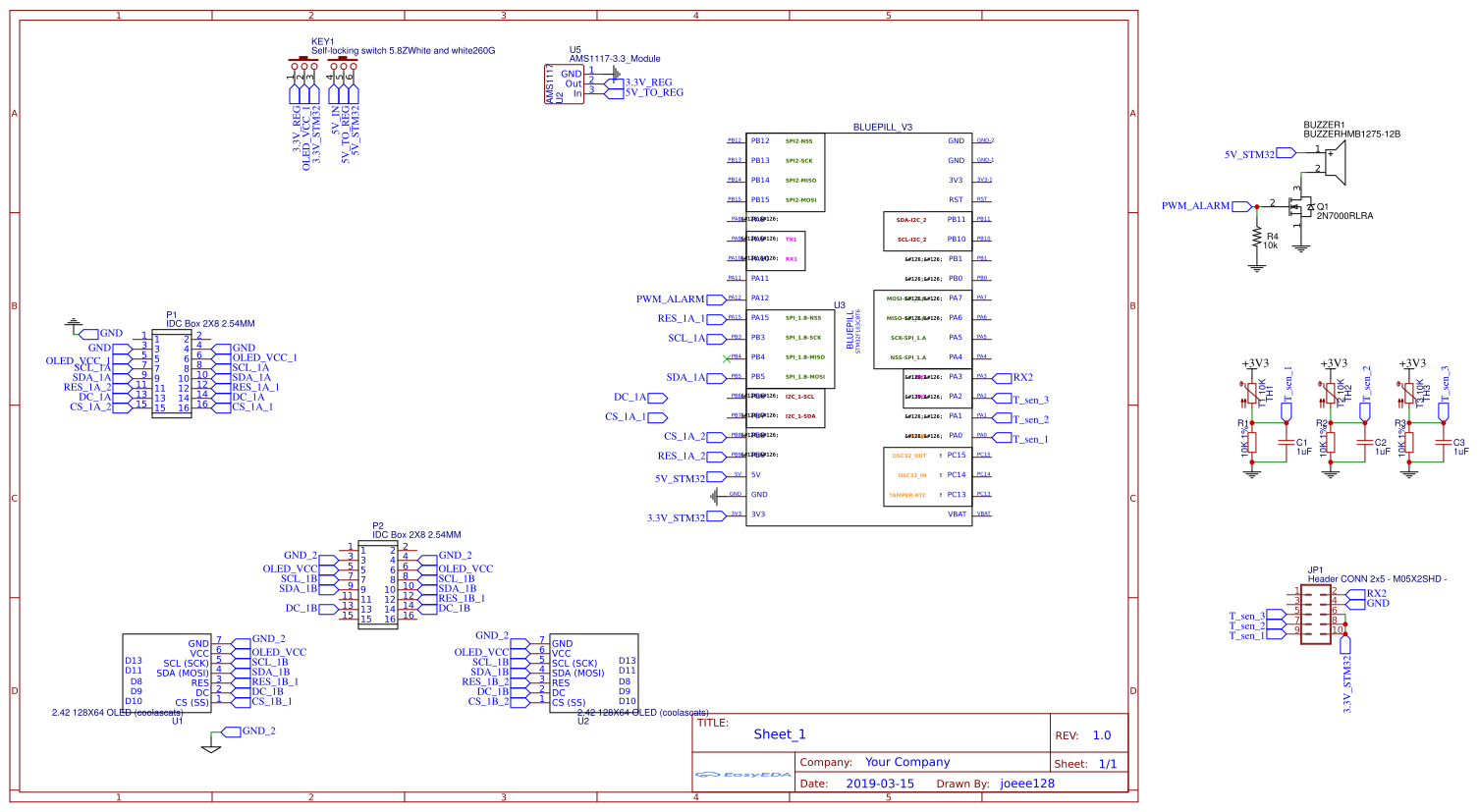
OngoingSTM32F103 (Just Display) OLED SPI1(b) with 2 displays
STDSTM32F103 (Just Display) OLED SPI1(b) with 2 displays
307
0
0
0
Mode:Full
License
:Public Domain
Creation time:2019-03-15 19:09:21Update time:2019-03-24 07:48:46
Description
Design Drawing
The preview image was not generated, please save it again in the editor.BOM
Bom empty
CloneAdd to Album
0
0
Share
Report
Project Members
Followers0|Likes0
Related projects
Empty


Comment