Ongoing2019-10-10 Raspberry power controller
STD2019-10-10 Raspberry power controller
261
0
0
0
Mode:Full
License
:Public Domain
Creation time:2019-10-04 16:29:25Update time:2021-09-07 13:09:56
Description
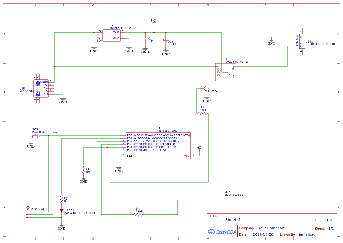
Design Drawing
The preview image was not generated, please save it again in the editor.BOM
Bom empty
CloneAdd to Album
0
0
Share
Report
Project Members
Followers0|Likes0
Related projects
Empty


Comment