OngoingMaxPCB2_aux
STDMaxPCB2_aux
License
:GPL 3.0
Description
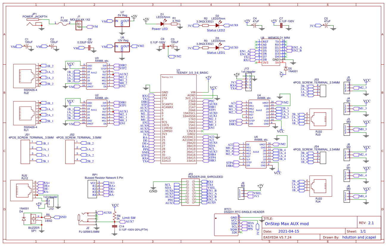
A clone of Howard Dutton's MaxPCB2.1 board for OnStep, but with an AUX header instead of the DB9 port. I also added a few extra AUX pins. The header can be used to attach a daughter board to add additional functionality (such as a dew heater), but keep it contained in a single enclosure.
Design Drawing
The preview image was not generated, please save it again in the editor.BOM
Bom empty
CloneProject Members
Intellectual Property Statement & Reproduction Instructions
This is an open-source hardware project. All intellectual property rights belong to the creator. The project is shared on the platform for learning, communication, and research only; any commercial use is prohibited. If your intellectual property rights are infringed on EasyEDA, please notify us by submitting relevant materials in accordance with the Rules for Complaints and Appeals of IPR Infringement.
Users must independently verify the circuit design and suitability when replicating this project. All risks and consequences are borne by the user, and the platform assumes no liability.
Empty


Comment