OngoingSelector Switch - Relays
STDSelector Switch - Relays
327
0
0
0
Mode:Full
License
:Creation time:2019-02-28 19:02:15Update time:2019-07-24 12:54:31
Description
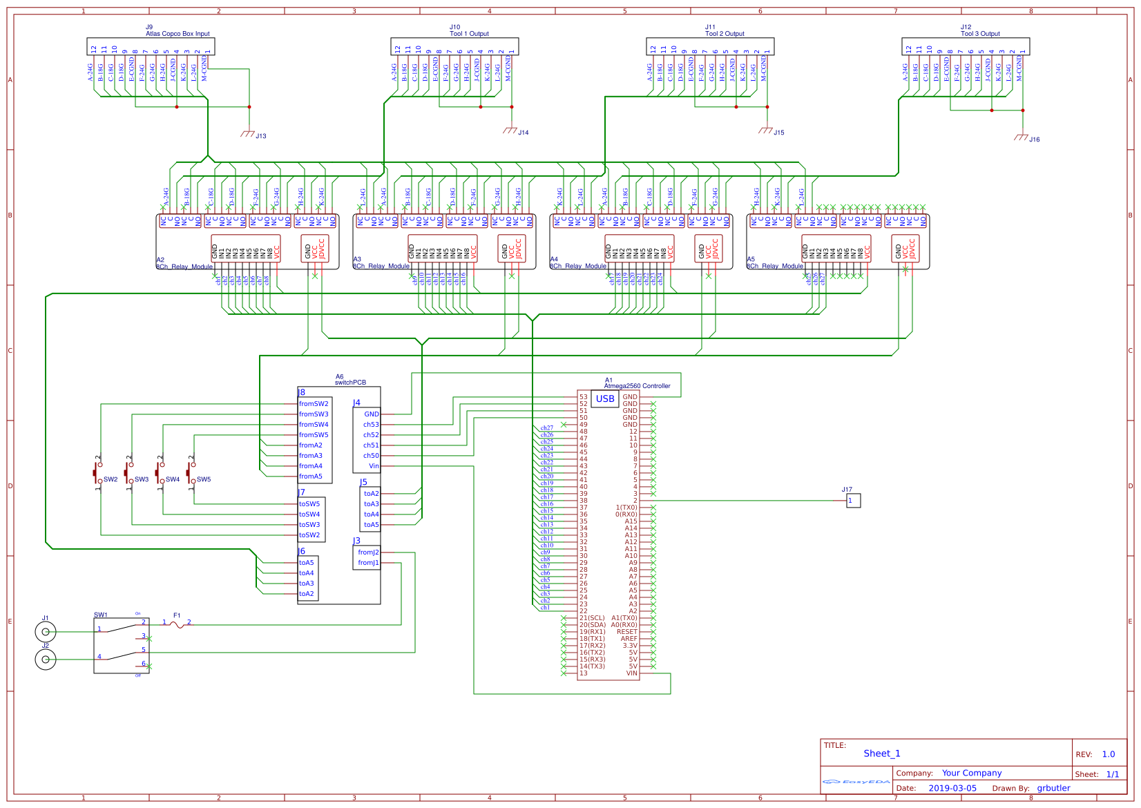
Design Drawing
The preview image was not generated, please save it again in the editor.BOM
Bom empty
CloneAdd to Album
0
0
Share
Report
Project Members
Followers0|Likes0
Related projects
Empty


Comment