Ongoingosmosis-smd
STDosmosis-smd
330
0
0
0
Mode:Full
License
:Creation time:2019-06-20 22:20:03Update time:2019-07-12 19:56:09
Description
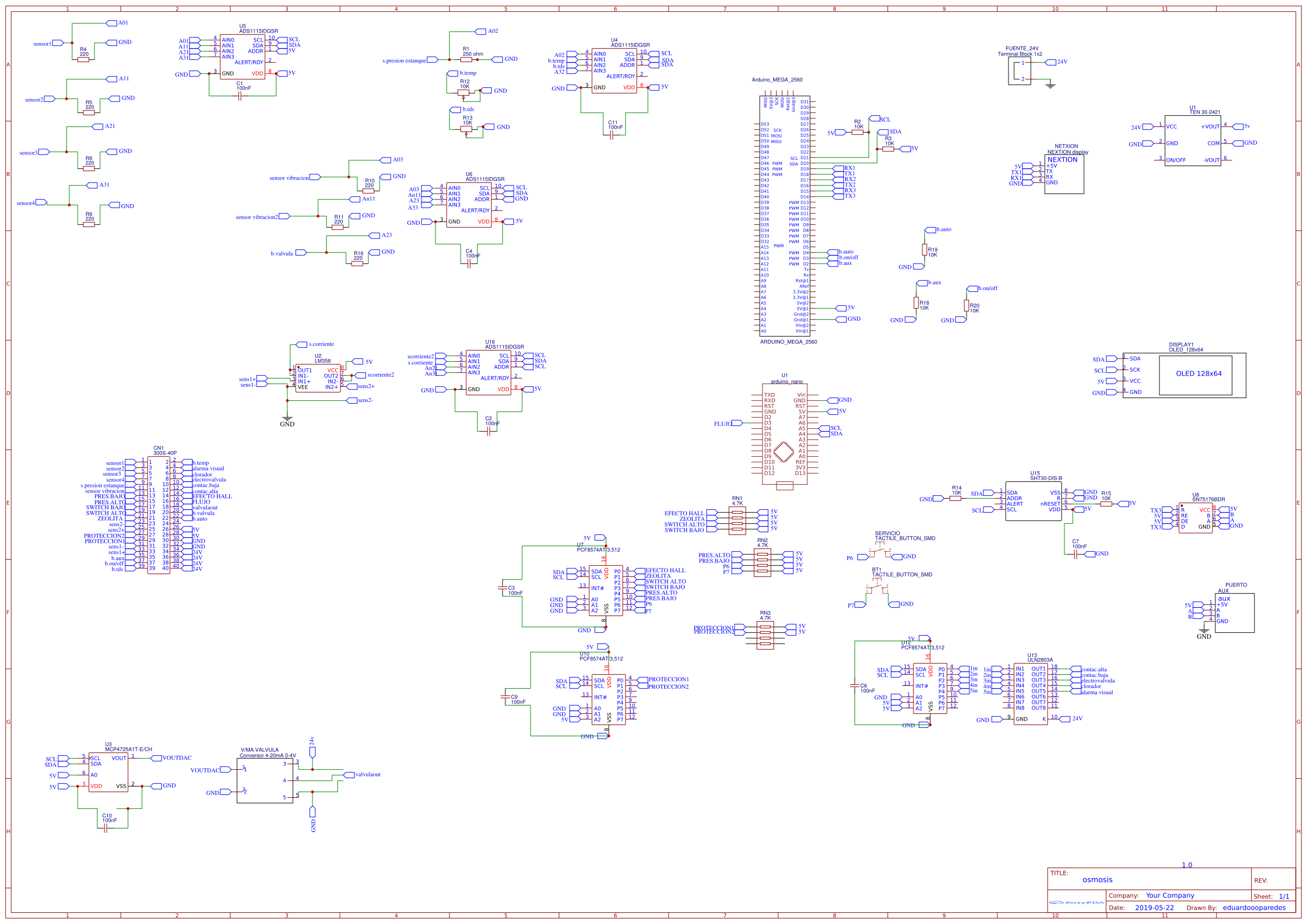
Design Drawing
The preview image was not generated, please save it again in the editor.BOM
Bom empty
CloneAdd to Album
0
0
Share
Report
Project Members
Followers0|Likes0
Related projects
Empty


Comment