OngoingTRAC_peripheral_board
STDTRAC_peripheral_board
242
0
0
0
Mode:Full
License
:Creation time:2021-04-05 21:04:13Update time:2021-05-27 21:15:07
Description
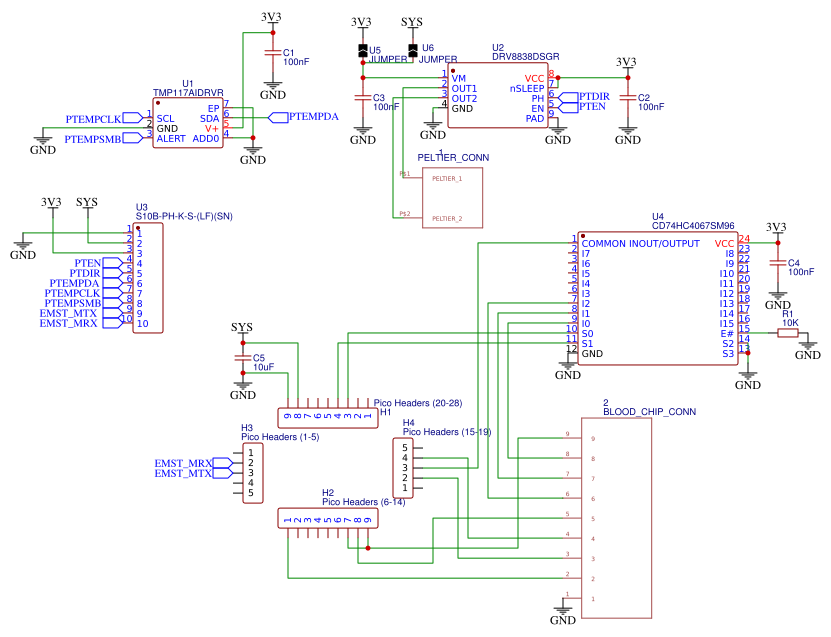
TRAC Peripheral Board
Design Drawing
The preview image was not generated, please save it again in the editor.BOM
Bom empty
CloneAdd to Album
0
0
Share
Report
Project Members
Followers0|Likes0
Related projects
Empty


Comment