OngoingZone-Command JLC Assembled
STDZone-Command JLC Assembled
425
0
0
0
Mode:Full
License
:Creation time:2020-09-02 11:57:08Update time:2020-10-15 15:11:26
Description
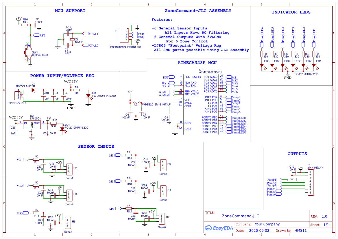
Design Drawing
The preview image was not generated, please save it again in the editor.BOM
Bom empty
CloneAdd to Album
0
0
Share
Report
Project Members
Followers0|Likes0
Related projects
Empty


Comment