OngoingReceiver
STDReceiver
335
0
0
0
Mode:Full
License
:Creation time:2019-01-16 20:13:00Update time:2019-08-24 19:23:59
Description
Design Drawing
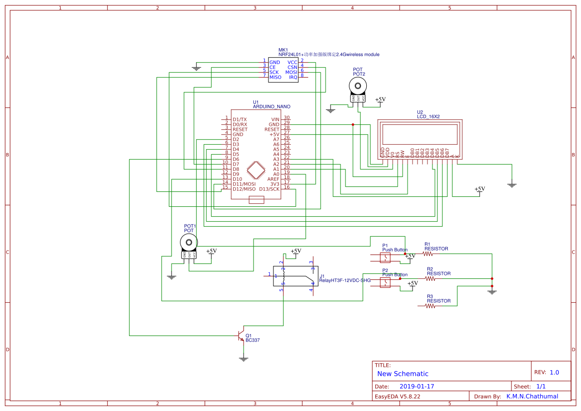
The preview image was not generated, please save it again in the editor.BOM
Bom empty
CloneAdd to Album
0
0
Share
Report
Project Members
Followers0|Likes0
Related projects
Empty


Comment