OngoingMedi Box Project
STDMedi Box Project
202
0
0
0
Mode:Full
License
:Creation time:2021-05-15 04:20:47Update time:2021-05-21 06:25:35
Description
Created in the Embeded Systems Workshop 2021
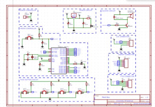
Design Drawing
The preview image was not generated, please save it again in the editor.BOM
Bom empty
CloneAdd to Album
0
0
Share
Report
Project Members
Followers0|Likes0
Related projects
Empty


Comment