OngoingDRONE MESH - F4 FC (PATREON)
STDDRONE MESH - F4 FC (PATREON)
1.1k
0
0
0
Mode:Full
License
:Cloned fromMesh FC (PATREON)
Creation time:2020-04-21 02:54:07Update time:2023-04-08 12:20:12
Description
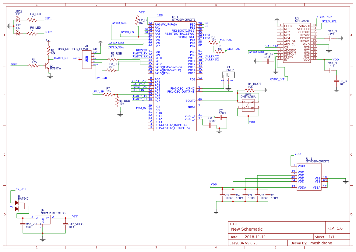
Design Drawing
The preview image was not generated, please save it again in the editor.BOM
Bom empty
CloneAdd to Album
0
0
Share
Report
Project Members
Followers0|Likes0
Related projects
Empty


Comment