OngoingASCM ECU Interceptor
STDASCM ECU Interceptor
615
0
0
0
Mode:Full
License
:Creation time:2020-01-09 02:44:45Update time:2020-12-15 23:54:49
Description
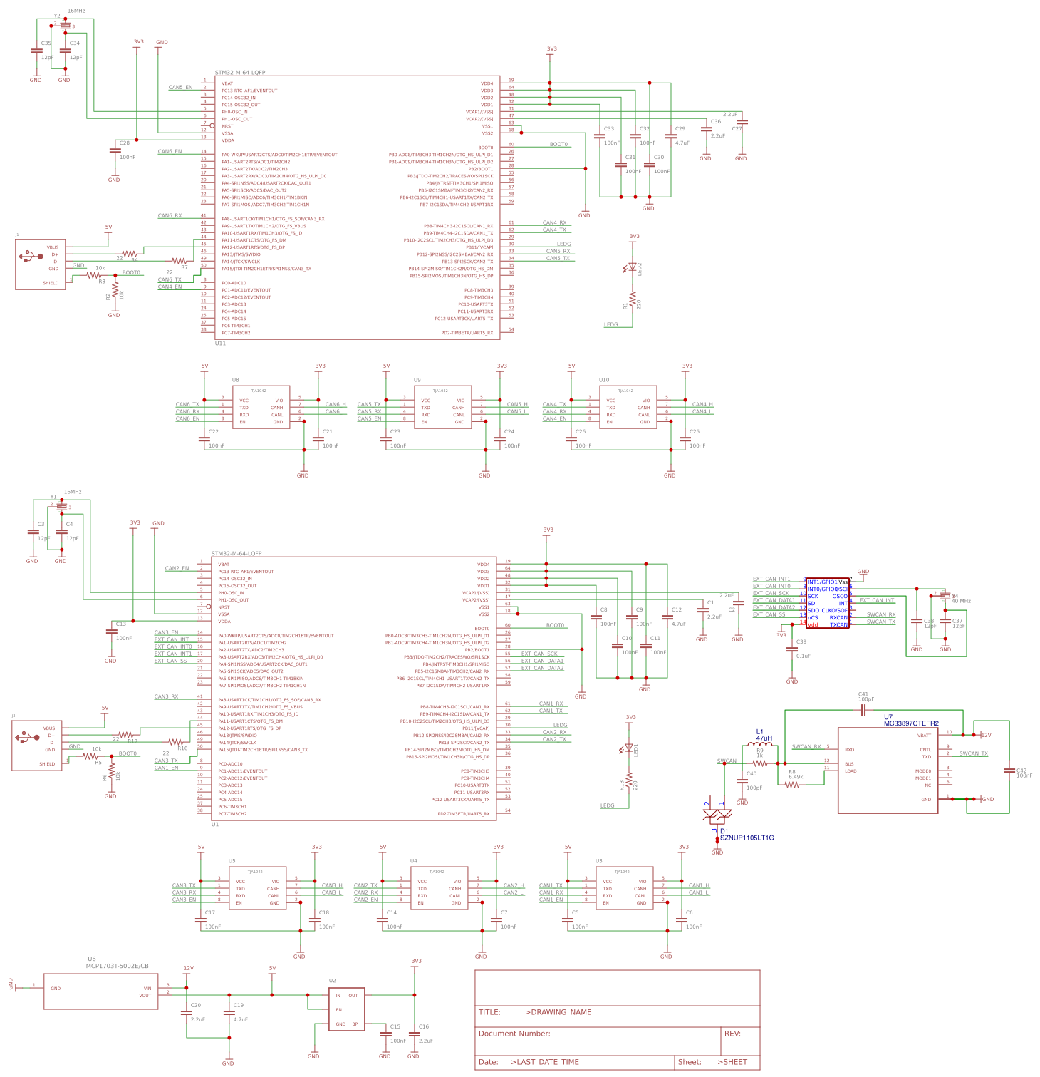
Design Drawing
The preview image was not generated, please save it again in the editor.BOM
Bom empty
CloneAdd to Album
0
0
Share
Report
Project Members
Followers0|Likes0
Related projects
Empty


Comment