OngoingAC motor controler
STDAC motor controler
852
0
0
0
Mode:Full
License
:LGPL
Creation time:2018-08-22 18:46:52Update time:2021-06-17 19:56:53
Description
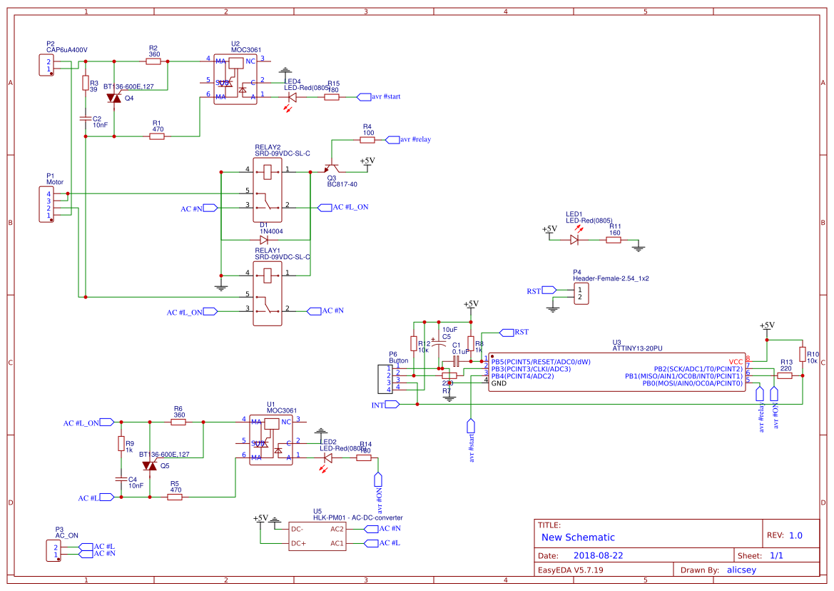
Design Drawing
The preview image was not generated, please save it again in the editor.BOM
Bom empty
CloneAdd to Album
0
0
Share
Report
Project Members
Followers0|Likes0
Related projects
Empty


Comment