OngoingMediBox
STDMediBox
410
0
0
0
Mode:Full
License
:Creation time:2021-05-15 04:41:19Update time:2021-05-15 16:41:06
Description
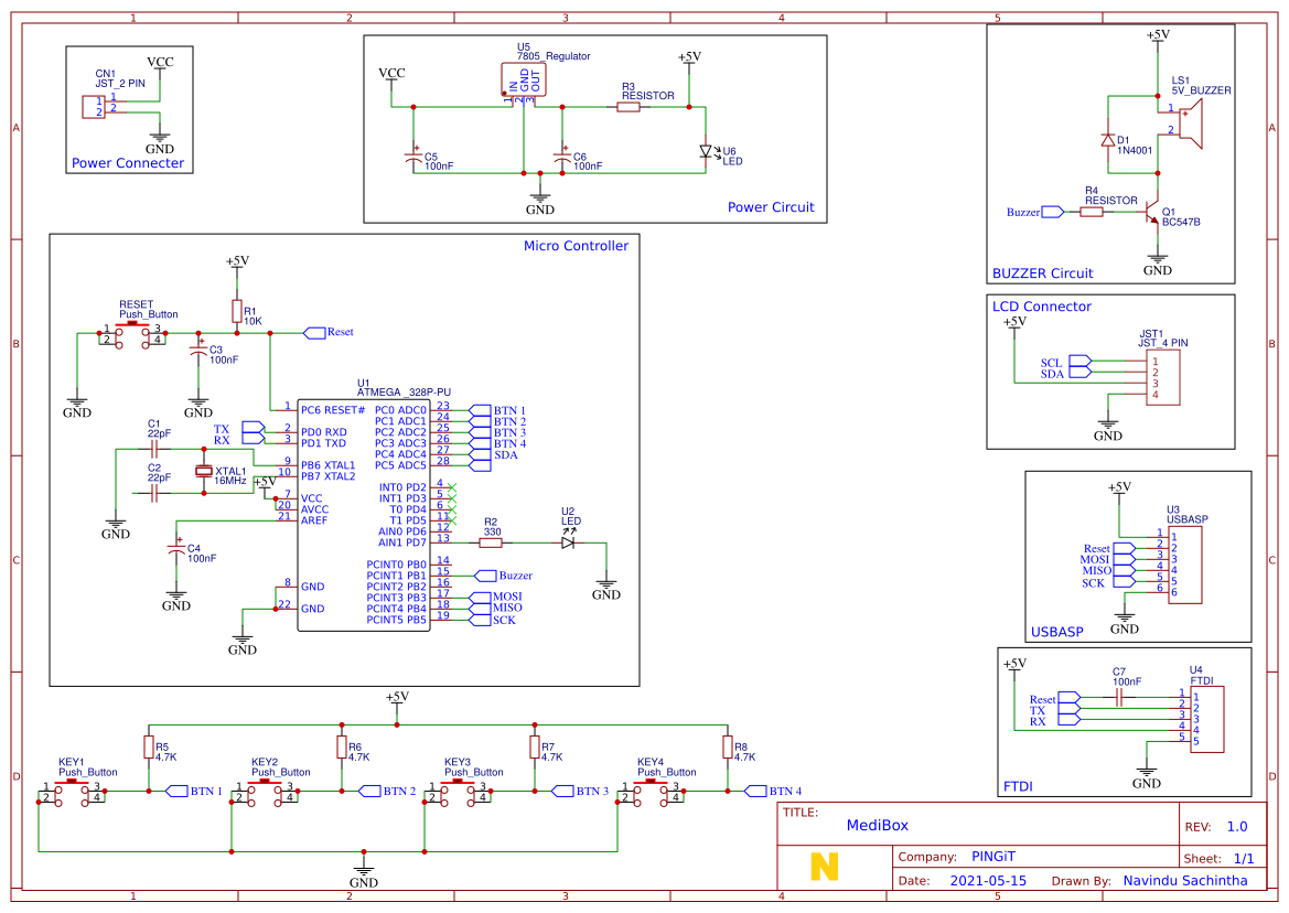
MediBox
Design Drawing
The preview image was not generated, please save it again in the editor.BOM
Bom empty
CloneAdd to Album
0
0
Share
Report
Project Members
Followers0|Likes0
Related projects
Empty


Comment