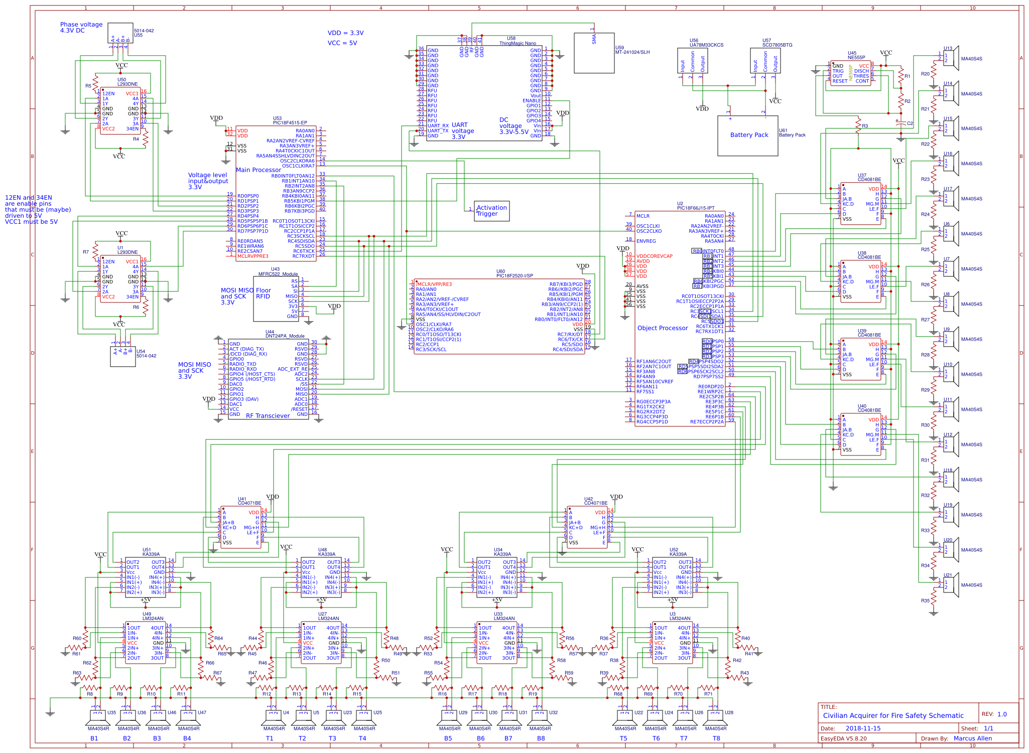
OngoingCAFS Circuitry
STDCAFS Circuitry
490
0
0
0
Mode:Full
License
:Creation time:2018-11-16 03:59:41Update time:2019-01-25 18:37:01
Description
Design Drawing
The preview image was not generated, please save it again in the editor.BOM
Bom empty
CloneAdd to Album
0
0
Share
Report
Project Members
Followers0|Likes0
Related projects
Empty


Comment