Ongoingsx1509-led-switch-interface
STDsx1509-led-switch-interface
585
0
0
0
Mode:Full
License
:GPL 3.0
Creation time:2020-03-29 14:55:53Update time:2020-07-19 20:08:47
Description
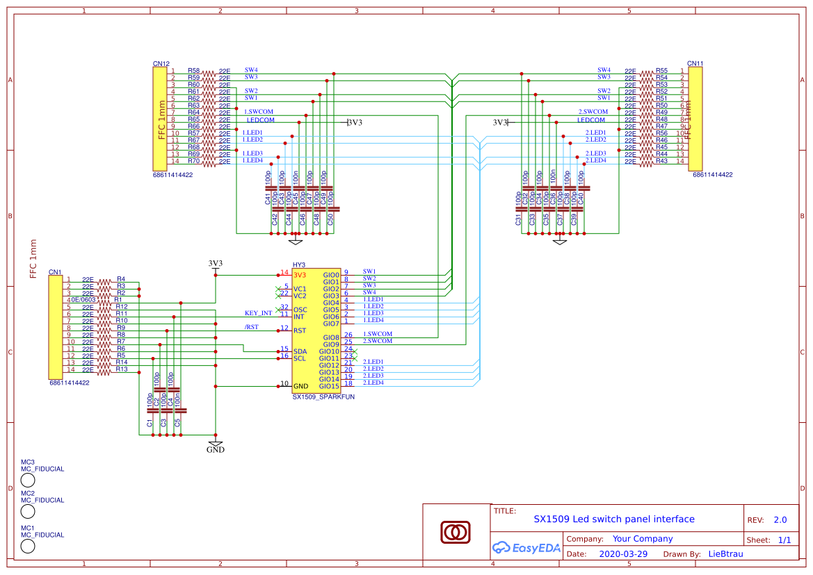
Design Drawing
The preview image was not generated, please save it again in the editor.BOM
Bom empty
CloneAdd to Album
0
0
Share
Report
Project Members
Followers0|Likes0
Related projects
Empty


Comment