OngoingArduino Garden Controller
STDArduino Garden Controller
499
0
0
0
Mode:Full
License
:Public Domain
Creation time:2019-04-24 13:54:26Update time:2019-04-25 20:06:44
Description
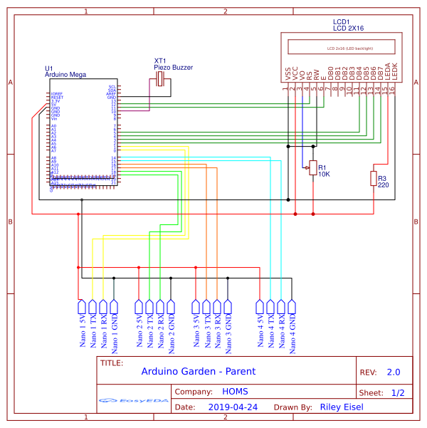
Design Drawing
The preview image was not generated, please save it again in the editor.BOM
Bom empty
CloneAdd to Album
0
0
Share
Report
Followers0|Likes0
Related projects
Empty


Comment