OngoingSJCK - V1
STDSJCK - V1
507
0
0
0
Mode:Full
License
:MIT
Creation time:2021-06-26 18:21:41Update time:2023-05-05 20:47:14
Description
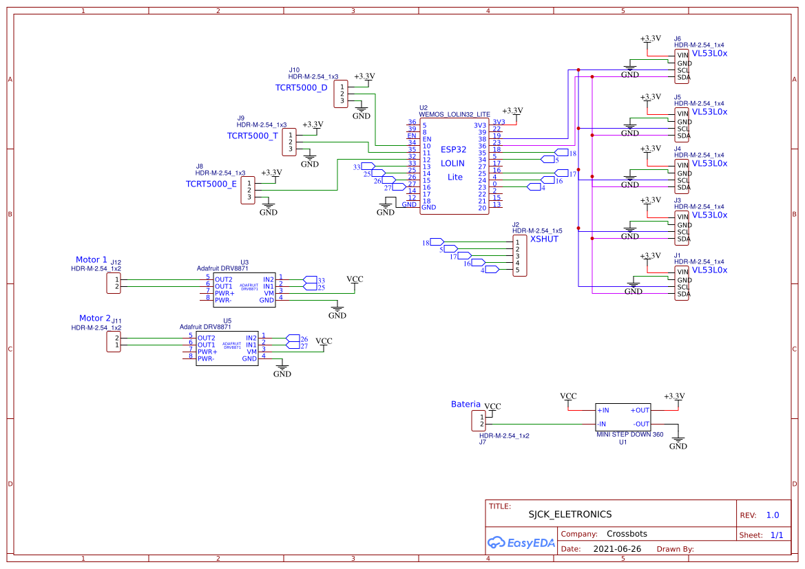
SCK eletronics schematic
Design Drawing
The preview image was not generated, please save it again in the editor.BOM
Bom empty
CloneAdd to Album
0
0
Share
Report
Project Members
gboufleur
ELN005
Matheus Dário
Guilherme Pires SIlva
akira32
Walter Bollmann
Pedro Henrique
MATHEUS FORTUNATO DARIO
mileny
jhonatanmacaneiro
arck.hugo
pedrogrossi_
berkenbrock
marcorodrigues
mateuston
tabaroski
fogagnoli2
gvb_
gusogi
larifntr
gabrielbalutabatista
marcus.vinicius.mvap
Followers0|Likes0
Related projects
Empty


Comment